Solar Energy Solutions Croatia
- telefon: 098/ 359 211
- e-mail: info@sesc.hr
- internet: www.sesc.hr
- osoba za kontakt: Dragutin ŠIMATOVIĆ, dipl. ing.
- djelatnost: cjelovita rješenja u području programiranja, logike, automatike i upravljanja u zgradarstvu, sustava grijanja, ventilacije i klimatizacije te obnovljivih izvora energije
Kako je nastao Solar Energy Solutions Croatia?
Solar Energy Solutions Croatia utemeljio je Dragutin ŠIMATOVIĆ, dipl. ing., na osnovi svojeg 15-godišnjeg iskustva u vođenju, gradnji i projektiranju te rješavanju složenih problema na raznim projektima. Njegovo bogato iskustvo stečeno u tih 15 godina, ne samo u području građevinarstva i izvođenja instalacija, već i u turističkoj djelatnosti, omogućilo mu je da između stotinu suradnika odabire najbolje stručnjake iz pojedinih područja. Kako bi i u buduće mogao izvoditi projekte raznih razina složenosti bez uobičajenih 'repova' i kardinalnih pogrešaka, pojavila se ideja o osnivanju klastera. Nakon toga je, za početak, s odabranim suradnicima sanirao i unaprijedio brojne zatečene projekte. Uz to, jedan od razloga za osnivanje klastera je bilo i to da dvije tvrtke i obrt, koje već dulje vrijeme odlično surađuju, postanu kao jedno tijelo vođeno upravo iskustvom i znanjem gosp. Šimatovića, što im samostalno vjerojatno ne bi uspjelo.
Što je to Solar Energy Solutions Croatia?
Jednostavno rečeno, Solar Energy Solutions Croatia je klaster, poslovna zajednica ili grupacija koju čine dvije tvrtke i jedan obrt s višegodišnjim iskustvom u srodnim stručnim područjima: od projektiranja i proizvodnje automatike i elektronike, preko izvođenja termotehničkih i vodovodnih instalacija, do građevinske djelatnosti.
Dakle, Solar Energy Solutions Croatia čine:
• Instalaterski obrt DS, koji je specijaliziran za izvođenje instalacija solarnih sustava, centralnog grijanja i klimatizacije te vodovodnih instalacija
• Eko plam, tvrtka koja je specijalizirana za projektiranje i proizvodnju automatike, modula i elektroničkih uređaja
• Berigo, tvrtka koja je specijalizirana za izvođenje građevinskih adaptacija, ali i svih drugih poslova u građevinskoj djelatnosti.
Instalaterski obrt DS
Instalaterski obrt DS sa sjedištem u Lasinji je specijaliziran u tri područja:
- instalacije sustava grijanja (solarni kolektori, spremnici, izmjenjivači topline, dizalice topline, kotlovi za dogrijavanje na kruta goriva, plin i loživo ulje, radijatori, podno i stropno grijanje, cjevovodi, električni grijači, crpke
- instalacije sustava klimatizacije (ugradnja klima-uređaja i druge opreme za klimatizaciju)
- vodovodne nstalacije (cjevovodi tople i hladne vode, kanalizacije i odvoda, sanitarije, tuškade i kabine, hidromasažne kade i kabine itd).
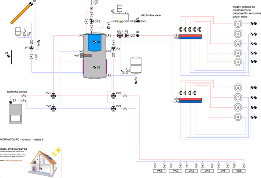
Tvrtka ima bogato iskustvo u izvođenju projekata na raznim objektima, a vjerojatno najbolja dosadašnja referenca je sudjelovanje u projektu primjene mjera energetske učinkovitosti te kombinacije Sunčeve energije i otpadne topline iz rashladnih komora u Mesnoj industriji 'Milivoj Medven' u Krašiću.
Eko plam
Eko plam je tvrtka također sa sjedištem u Lasinji, koja se bavi projektiranjem, razvojem i proizvodnjom elektroničkih uređaja. Njezini visokostručni djelatnici imaju više od 20 godina iskustva na području projektiranja i razvoja elektroničkih uređaja, razvoja softvera za mikrokontrolere i programabilnih logičkih kontrolnih (PLC) modula, razvoja informacijsko-telekomunikacijskih sistemskih i aplikativnih rješenja te projektiranja IT mrežnih sustava.
Tvrtka je usmjerena na proizvodnju gotovih rješenja za upravljanje solarnim sustavima za grijanje, sustavima podnog, zidnog, stropnog i radijatorskog grijanja, sustavima ventilacije, grijanja i hlađenja, sustavima dogrijavanja bazena te rješenja za integraciju i optimiranje svih postojećih sustava u bilo kojem objektu.
Rješenja za sustave 'pametnih kuća' koja je tvrtka do sada razvila i uspješno primijenila, uz vrhunsku udobnost, pružaju i dugoročne uštede na osnovi optimalnog i racionalnog upravljanje svim segmentima objekta bilo koje namjene.
Berigo
Berigo je tvrtka sa sjedištem u Zagrebu koja je osnovana 2005. godine, a njezina osnovna djelatnost danas je izvođenje građevinskih adaptacija, ali i svi ostali poslovi vezani za građevinsku djelatnost. Tvrtka je udružila dugogodišnja bogata iskustva svojih osnivača i znanja na građevinskim poslovima. Referentna lista je uistinu opsežna i obuhvaća projekte raznih namjena: od obiteljskih kuća i stanova u Zagrebu i okolici, preko javnih zgrada kao što su Ministarstvo vanjskih i europskih poslova i Poliklinika Hipokrat u Zagrebu, stambenih naselja kao što je Hoto Ville u Sv. Nedelji pa sve do uredskih i poslovnih objekata kao što su Tvornica ulja Zvjezda ili zgrade Jadranskog naftovoda.
Uz to, treba napomenuti da tvrtka ima Suglasnost za započinjanje obavljanja djelatnosti građenja od Ministarstva graditeljstva i prostornog uređenja i to za radove iz skupina I.4, I.5, I.6 i I.8 te dozvolu Uprave za zaštitu kulturne baštine Ministarstva kulture za izvođenje građevinskih radova na nepokretnim kulturnim dobrima.
